待望の 2025 年広州国際低空経済博覧会が、12 月 12 日から 14 日まで広州中国輸出入交易会複合施設で盛大に開幕します。当社は、ホール A のブース B76 で中核となる成果を展示する...
READ MORE説明
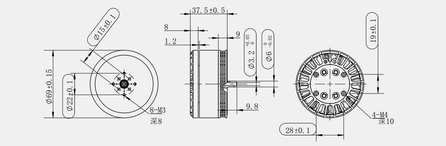
LN6215 ブラシレス ドローン モーターは、効率と信頼性の両方を必要とするプロ仕様の UAV 向けに設計された高性能電源ソリューションです。 12S LiPo バッテリーと互換性のあるこのモーターには 150kV、160kV、および 170kV のオプションがあり、オペレーターは耐久性、速度、ペイロード容量を柔軟に最適化できます。
最大推力 3kg の LN6215 は、安定した揚力と一貫した出力を提供するため、空撮ドローン、マッピング ドローン、検査用 UAV、農業用散布ドローン、産業用マルチコプターに適しています。精密に設計された構造により、厳しい条件下でも低振動、スムーズな回転、飛行安定性の向上が保証されます。
主な利点は次のとおりです。
高効率 – 最適化された設計により、エネルギー損失が低減され、飛行時間が延長されます。
耐久性のある構造 – 高度な放熱による信頼性の高いパフォーマンスで長寿命を実現します。
柔軟な kV オプション – 長時間の耐久性には 150kV、バランスの取れたパフォーマンスには 160kV、高速飛行には 170kV。
強力な推力 – 最大 3kg の推力で、さまざまなペイロードやプロフェッショナルな用途をサポートします。
測量、映画製作、農業、産業検査など、LN6215 はプロの UAV 操作に必要なパワーと安定性を提供します。
リテック
パラメータ
お問い合わせ
| 電気仕様 | ||||||||||||||||||||||||||
| KV | バッテリー仕様 | 最大。推力 (KG) | 推奨離陸重量 (KG) | システム重量 (KG) | 最大。現在 (A) | 最大。コン。現在 (A) | モーター寸法 (mm) | ステータの寸法 (mm) | 取付寸法 (mm) | プロップ。 (インチ) | ||||||||||||||||
| 150 | 10S-12S | 12 | 3-5 | 0.32 | 17.2 | 5.5 | φ91×37.5 | φ83*13 | 4-M5*10 | 2480 | ||||||||||||||||
| 推力試験データ | ||||||||||||||||||||||||||
| プロペラ (インチ) | 電圧 (V) | スロットル (%) | 読み込み通貨 (A) | 推力 (g) | パワー (W) | 効率 (g/W) | ||||||||||||||||||||
| GF2480 | 46.05 | 40% | 4.6 | 2416 | 212.2 | 13.18 | ||||||||||||||||||||
| 46.04 | 46% | 7.4 | 3377 | 343.8 | 12.16 | |||||||||||||||||||||
| 46.03 | 50% | 9.9 | 4106 | 460.2 | 11.10 | |||||||||||||||||||||
| 46.01 | 56% | 14.1 | 5209 | 653.2 | 10.47 | |||||||||||||||||||||
| 46.04 | 60% | 17.3 | 5947 | 800 | 9.58 | |||||||||||||||||||||
| 46.00 | 66% | 22.6 | 7086 | 1048.3 | 8.88 | |||||||||||||||||||||
| 45.97 | 70% | 26.6 | 7779 | 1230 | 8.35 | |||||||||||||||||||||
| 45.96 | 75% | 32.7 | 9016 | 1514 | 7.73 | |||||||||||||||||||||
| 45.94 | 80% | 37.6 | 9782 | 1742 | 7.30 | |||||||||||||||||||||
| 45.91 | 85% | 39.8 | 10253 | 1830.8 | 6.78 | |||||||||||||||||||||
| 45.89 | 90% | 43.6 | 10731 | 2005 | 6.25 | |||||||||||||||||||||
| 45.84 | 95% | 47.3 | 11232 | 2175.8 | 5.83 | |||||||||||||||||||||
| 45.85 | 100% | 51.8 | 11822 | 2398 | 5.76 | |||||||||||||||||||||
あなたの情報を入力してください。
当社のパートナーになりたい場合でも、製品に関して当社の専門的な指導やサポートが必要な場合でも、 選択と問題解決については、当社の専門家がいつでも 12 時間以内に対応いたします。 世界的に!
待望の 2025 年広州国際低空経済博覧会が、12 月 12 日から 14 日まで広州中国輸出入交易会複合施設で盛大に開幕します。当社は、ホール A のブース B76 で中核となる成果を展示する...
READ MORE無人航空機 (UAV) の性能範囲は、その推進システムによって厳密に定義されます。ブラシレス DC モーター (BLDC) は業界標準であり、その高い出力重量比と優れた寿命が評価されています。た...
READ MORE最近、ヨーロッパの主要顧客の代表団が当社を特別訪問し、1 日の詳細なツアーと交流を行いました。ドローン用モーターおよび特殊モーターの専門メーカーとして、研究開発・設計から精密製造、品質管理までの...
READ MOREどういうことかを理解する コアレスDCモーター 本当にオファー エンジニアがコアレス設計に切り替える理由 あ コアレスDCモーター ブラシ付...
READ MOREはじめに: 問題点を把握する 屋根の換気扇がその重量に耐えられないと感じたことはありませんか?よくある不満を経験しているかもしれません。ユニットの動作音がうるさいように見えても、実際の空気...
READ MORE